Ничего не куплено!
Каталог
- Комплектующие для весов
- По производителям
- По типу комплектующих
- Адаптеры
- Аккумуляторы
- Аксессуары и узлы встройки для тензодатчиков
- Узелы встройки для тензодатчиков Tedea-Huntleigh
- Узлы встройки для тензодатчиков BENUI
- Узлы встройки для тензодатчиков CAS
- Узлы встройки для тензодатчиков FLINTEC
- Узлы встройки для тензодатчиков HBM
- Узлы встройки для тензодатчиков KELI
- Узлы встройки для тензодатчиков Mettler Toledo
- Узлы встройки для тензодатчиков REVERE TRANSDUCERS
- Узлы встройки для тензодатчиков SENSORTRONIKS
- Узлы встройки для тензодатчиков Zemic
- Узлы встройки для тензодатчиков Метра
- Узлы встройки для тензодатчиков Тензо-М
- Аналоговые усилители
- Блоки питания
- Ведущие ролики, валики, валы.
- Дублирующие весовые табло
- Индикаторы
- Клавиатуры
- Клеммные соединительные коробки-сумматоры (балансировочные коробки)
- Конструктивные наборы для электронных весов CAS BSA/BSS
- Микросхемы
- Опоры
- Оптические тензодатчики
- Платформы для весов
- Платы управления
- Процессоры
- Разъемы, диоды, транзисторы, резисторы, переключатели, соединители
- Системы сбора данных
- Терминалы
- Термоголовки
- Тестеры
- Трансформаторы
- Цифровые преобразователи
- Адаптеры
- По производителям
- Комплектующие для упаковочного оборудования
- Отопление
- Складское оборудование
- Тензодатчики
- Термоголовки
- Упаковочное оборудование
- Электронные весы
Узел встройки KELI SQB-SS
Основные особенности:
Материал: нержавеющая сталь
Применение: дозаторы, платформенные весы
Технические характеристики:
| Наибольший предел измерения (НПИ), т | 0.1 - 10 |
| Рабочий коэффициент передачи (РКП), мВ/В | 3.0 ± 0.003 (0.5-10т);n2.0 ± 0.002 (0.1-0.3т) |
| Класс точности | С2-С3 |
| Погрешность, % от РКП | |
| Ползучесть (30мин), % от РКП | |
| Баланс ноля, % | ±1 |
| Температурное отклонение чувствительности | ±0,02%/10°C |
| Температурное отклонение ноля | ±0,02%/10°C |
| Входное сопротивление, Ом | 400±20 |
| Выходное сопротивление, Ом | 352±3 |
| Сопротивление изоляции, ГОм | ≥5000 |
| Диапазон термокомпенсации, °С | -10 - 40 |
| Рабочий диапазон температур, °С | -30 ~ 70 |
| Предельно допустимая нагрузка, % от НПИ | 150 |
| Разрушающая нагрузка, % от НПИ | 180 |
| Рекомендуемое напряжение питания, В | 10~12 |
| Максимальное напряжение питания, В | 15 |
| Класс защиты | IP66- IP67 |
| Материал корпуса | Легированная сталь, Нержавеющая сталь |
| Длина кабеля, м | 3-5 |
| Диаметр кабеля, мм | 5-6 |
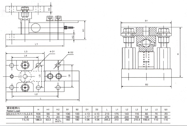
Габаритные размеры, мм

Написать отзыв или задать вопрос
Ваше Имя:Ваш отзыв или вопрос:
Оценка: Плохо Хорошо
Введите код, указанный на картинке:
Лидеры продаж

ВЕРСИЯ ДЛЯ ПЕЧАТИ

