Ничего не куплено!
Каталог
- Комплектующие для весов
- Комплектующие для упаковочного оборудования
- Отопление
- Складское оборудование
- Тензодатчики
- BENUI
- CAS
- CELTRON
- FLINTEC
- HBM
- KELI
- AMF
- AMG
- AMI
- AMI
- AMIB
- AMIBK
- AMIE
- AMIF
- AMIQ
- AMW
- BHS
- BT-A
- BTGB-A
- BTGE
- BTGFC-A
- BTL-A
- BTQ-A
- BTW-A
- CB
- CBF
- DE
- DEC
- DEE-A
- DEE-SS
- DEF-A
- DEF-SS
- DEFY
- DEFY-SS
- DEG
- DEGB
- DEGYB-A
- DEL-A
- DEL-SS
- DEM
- DEML
- DER-A
- DF
- DFEB
- DFFB
- DG
- DGBB-A
- DSS
- EDS-D
- GG-A
- GGB(22)-A
- GZLB-A
- HR
- HSX-A
- HSX-AW
- HSXB-A
- HSXJ-A
- HSXJ-SS
- IL-A
- IL-SS
- ILB
- ILC
- ILCB
- ILE
- ILE-SS
- ILEB
- ILEG
- ILEG-SS
- ILF
- ILGB-A
- ILGB-SS
- ILJ
- ILK
- ILK-SS
- ILKB
- ILY-SS
- LFS-A
- LFSB-A
- LFSC-A
- LFSCZ-M
- LFSG
- LFSK
- LFSM
- LFSMC-A
- LFSQ
- LFSREL
- MBB
- MBBB
- NB-A
- NHS-A
- NHS-SS
- PB
- PST-A
- PST-SS
- PSTM-A
- PSTP-H
- QCSC
- QS-A
- QS-D
- QS-D H
- QSB-A
- QSB-SS
- QSC-A
- QSC-SS
- QSEC-A
- QSEC-SS
- QSEF
- QSF-A
- QSF-SS
- QSFB-A
- QSFFB-ASS
- QSG
- QSG-A
- QSGE-ASS
- QSJ
- QSJ-A
- QSJ-SS
- QSK-A
- QSMC
- QSN-A
- QSNB-A
- QSPG-A
- QSPKB-A
- QSZF-A
- SB-A
- SB-SS
- SBB
- SBI-A
- SBJ-A
- SBK
- SBO
- SBO-A
- SBP-A
- SBP-SS
- SBT-A
- SBT-SS
- SBY-A
- SBY-SS
- SBZ
- SBZ-A
- SC
- SCEB-A
- SCK
- SCNB-A
- SCNF-AX
- SDS
- SDS-D
- SE
- SEBE-SS
- SOK
- SQB
- SQB-A
- SQB-SS
- SQBB-A
- SQBB-ASS
- SQBB-SS
- SQBC-A
- SQBC-SS
- SQBK-A
- SQBL-A
- SQBL-SS
- SQBU
- SQBU-A
- SQBU-SS
- SQBY
- SQBY-A
- SQBY-SS
- SQC-A
- SZSC
- UDA
- UDAB
- UDAE
- UDB
- UDJ
- UDN
- UDQ
- UDQC
- UH
- UHE
- US-A
- US-SS
- USW-SS
- XSB
- XSCB
- XSGB
- XZBMK-A
- XZBMK-SS
- YBS-A
- YBSCN
- YBSCP
- YBSG-A
- YBSGR-A
- YBSK-A
- ZL
- ZSC-A
- ZSC-SS
- ZSCPB-XS
- ZSE-A
- ZSF-A
- ZSF-SS
- ZSFB-A
- ZSFB-SS
- ZSFC
- ZSFL
- ZSFN-A
- ZSFY-A
- ZSGB-A
- ZSGB-SS
- ZSGBY-A
- ZSGBY-SS
- ZSJB-A
- ZSJB-SS
- ZSKB-A
- ZSKB-SS
- ZSL-A
- ZSM-A
- ZSMCB-A
- ZSNC-A
- ZSNG-A
- ZSP-A
- ZSWF-A
- ZSWF-SS
- ZSWFB-A
- ZSWFB-SS
- ZSWFG-A
- ZSWFG-SS
- ZSWG-A
- ZSWG-SS
- ZSWKB-A
- ZZS-A
- METTLER TOLEDO
- REVERE TRANSDUCERS
- SENSORTRONICS
- Tedea-Huntleigh
- UTILCELL
- Zemic
- МАССА-К
- Мера
- Метра
- Тензо-М
- BENUI
- Термоголовки
- Упаковочное оборудование
- Электронные весы
Тензодатчик KELI ZSGBY-SS-15t-C3
НПИ: 15 t
Материал: нержавеющая сталь
Применение: автомобильные весы, ж/д весы, весы для поосного взвешивания, напольные весы
Технические характеристики:
| Наибольший предел измерения (НПИ), t | 5 t, 10 t, 15 t, 20 t, 25 t, 30 t |
| Рабочий коэффициент передачи (РКП), мВ/В | 2,0±0.002 |
| Класс точности | C2-C3 |
| Погрешность, % от РКП | |
| Ползучесть (30мин), % от РКП | |
| Баланс ноля, % | ±1 |
| Температурное отклонение чувствительности | ±0,02%/10°C |
| Температурное отклонение ноля | ±0,02%/10°C |
| Входное сопротивление, Ом | 700±20 |
| Выходное сопротивление, Ом | 706±7 |
| Сопротивление изоляции, ГОм | ≥5000 |
| Диапазон термокомпенсации, °С | -10 - 40 |
| Рабочий диапазон температур, °С | -30 ~ 70 |
| Предельно допустимая нагрузка, % от НПИ | 150 |
| Разрушающая нагрузка, % от НПИ | 250 |
| Рекомендуемое напряжение питания, В | 10~12 |
| Максимальное напряжение питания, В | 15 |
| Класс защиты | IP68 |
| Материал корпуса | Легированная сталь, нержавеющая сталь |
| Длина кабеля, м | 8-14 |
| Диаметр кабеля, мм | 5 |
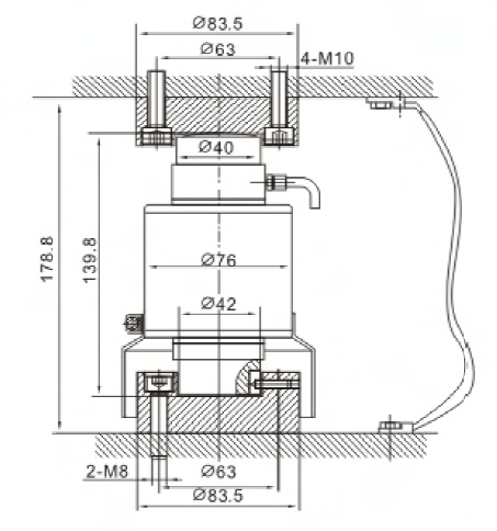
Габаритные размеры, мм

Схема подключения
4-х проводная схема:Питание (+) Красный; Питание (-) Черный; Сигнал (+) Зеленый; Сигнал (-) Белый
6-ти проводная схема:Питание (+) Синий; Питание (-) Черный; Сигнал (+) Белый; Сигнал (-) Красный; Сенсор (+) Зеленый; Сенсор (-) Серый
| mV/V | 2 |
| Класс защиты | IP 68 |
| Класс точности | С3 |
| Материал | Нержавеющая сталь |
| НПВ | 15t |
| Тип датчика | Тензодатчики цилиндрические (колонного типа) |
Написать отзыв или задать вопрос
Ваше Имя:Ваш отзыв или вопрос:
Оценка: Плохо Хорошо
Введите код, указанный на картинке:
Лидеры продаж

ВЕРСИЯ ДЛЯ ПЕЧАТИ


